检修描述:一辆行驶里程约1.7万km的2020年别克GL6。用户反映:该车无法利用安吉星手机APP远程启动车辆,如图1所示,手机端显示远程启动失败,车辆无法远程启动。

故障检测:自从买车后手机端的远程启动功能就一直没好用过。车载安吉星可以正常使用,可以正常使用点火钥匙启动。
在接车后,技师按照SBD流程进行了如下检查:
了解并确认故障描述。询问客户故障发生的时间、地点、现象、频次,结果安吉星APP指令远程启动失败。
车辆验证。用安吉星APP在手机端指令“远程启动”,发现启动失败。尝试指令其他功能,如图2所示,“车门解锁、车门上锁、天窗开启、天窗关闭、车窗开启、车窗关闭、后备箱开启、闪灯鸣笛、空调操控”均失败。APP指令均不好用。验证结果客户描述的问题属实。

初始检查。检查车辆,用钥匙可以正常启动车辆。车载安吉星可以正常拨出电话,也可以接收后台的信息(经试验可以接收安吉星下发的导航路线)。说明安吉星后台跟车辆之间的连接没有问题。
按下安吉星的蓝色按键,经人工查询确认:该车具备手机端安吉星APP远程指令的功能,包括“远程启动、取消启动、车门解锁、车门上锁、车窗开启、车窗关闭、后备箱开启、闪灯鸣笛、空调操控”。该配置的车辆不具备“天窗开启和天窗关闭”的远程指令功能。确认客户报修的故障是真故障。
尝试操作车辆的遥控器,车窗玻璃升降、中控门锁开关、电动开启后备箱等功能,工作均正常。
尝试更换手机登录ibuick账号,经测试还是无法远程操控该车辆。用该手机登录另一辆车的ibuick账号,发现可以远程操控其对应的车辆。经安吉星后台人工查询,ibuick账号没有问题,后台可以正常收到指令。经查询,远程启动前手机端需要输入的六位数的服务密码也没有问题。排除手机因素和ibuick账号因素。
将RDS3与车辆连接,读取故障码,发现所有的模块均正常,全车无故障码,如图3所示。

查阅维修通讯和技术简报,未发现类似故障的维修信息和解决方案。
检查发现安吉星模块、收音机模块、车身模块和网关模块的程序均为最新程序。
由于上述步骤未能找到故障原因,接下来参考维修手册中症状“安吉星呼叫中心遥控功能请求故障”的诊断流程进行检查测试。这种问题平时接触相对少一些,仔细阅读维修手册相关的症状诊断和安吉星的说明与操作,同时研读了一下用户手册。梳理了一下控制逻辑。
发现车辆有加装,可能会影响信号。根据维修要求,首先拆除加装,恢复原车状态。
首先拆除加装的设备。经询问,客户告知该车加装有VPS定位、多功能车内后视镜、行车安全360,如图4所示,拆除并恢复原车。

恢复后试车,发现“远程启动”仍然不好用,“车门解锁、车门上锁、车窗开启、车窗关闭、闪灯鸣笛”功能恢复正常了,如图5所示。

技师维修到此处后,没有头绪了。我接过此车后继续修理。
首先理清楚安吉星后台、ibuick手机APP、车辆三者之间的逻辑关系,如图6所示:手机并不直接连接车辆。

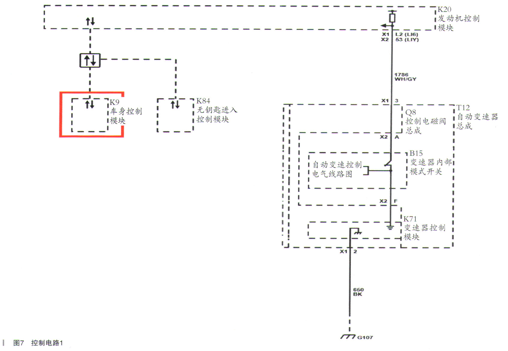
车身模块接收来自安吉星模块的信号,发出启动车辆的指令给发动机控制模块,如图7和图8所示。


重新梳理诊断思路,结合手机、ibuick账号、安吉星均正常。分析远程启动条件,画出控制框图,如图9所示。

根据上面的控制框图,分析问题出现的原因:发现各项条件都已满足。重复实验多次,重新验证每一项远程启动的条件,确定没有问题,这就需要从其他方面寻找原因。
由于上述检查未能找到故障原因,车辆端各项功能正常,手机和ibuick账号正常,安吉星又能够接收和发出信号,分析这个故障还是出现在安吉星和车辆端的信号上。
故障排除:在此处陷入了迷茫,问题到底出在哪一方面呢?仔细分析控制逻辑,主要检查:
①客户是否在外面匹配过钥匙或者刷过程序;
②车辆的加装是否完全拆除,恢复原车状态。
经询问客户:该车没有在外面匹配过钥匙,也没有刷新过程序。
是否会有其他加装呢?
于是对车辆重新仔细检查,发现在工作台线束中(连接BCM端)串联有一个一键升降器,如图10所示,隐藏得比较深,技师检查时没有发现。客户说忘记告诉我们装过该装置。拆除后,并恢复到原车的状态。将四个车门的车窗初始化学习,清除故障码,试车发现车辆的四个门玻璃升降均正常。

拆除一键升降器后,恢复至原车状态。RDS3清除故障码,放在P挡,拉起手刹,锁上所有车门,两把钥匙都拿到离车30m之外。用手机登录ibuick账号,指令远程启动,输入六位数的服务密码,车辆远程启动成功,如图11所示。

用ibuick手机APP反复指令车辆 “远程启动、取消启动、车门解锁、车门上锁、车窗开启、车窗关闭、后备箱开启、闪灯鸣笛、空调操控”,均正常。车辆正常,确认故障已排除。
维修小结:该故障是由车辆的加装改装引起的,导致安吉星后台指令车辆动作的时候,因加装导致信号干扰,出现指令失败的故障。该车非常具有代表性。
因技师检查不仔细,没有发现加装的一键升降器,导致走了一些弯路。对于加装的配件来说,因牵扯加装后不能索赔的问题,客户有时会故意隐瞒,一定得注意。
当维修手册推荐的诊断步骤有限时,需要紧紧抓住“症状”这个关键的点。结合用户手册,多读一下诊断系统说明;从逻辑上去分析,去推理和验证,逐项排查。
随着车辆的电气化越来越先进,很多问题需要我们不断地去探索和总结。特别是车机互联系统,由于是比较新的技术,更需要去弄清模块之间的逻辑关系。
加装改装造成的人为故障较多,该案例虽然走了一些弯路,但也有一些方面值得借鉴,大家尽量去避免:
很好地说明了在维修过程中“有加装改装一定要先拆除或恢复”的重要性;
对于车辆的加装改装,不要轻易相信客户说的话,需要自己去验证;
很好的梳理了手机端ibuickAPP指令失败的诊断方向和维修思路;
对故障的设置运行条件进行了完整的分析和解读;
现场工程师/TAC的指导很重要,一定要及时沟通;
相关车型是较新的车型,具有一定的代表性;
案例覆盖面广,类似故障均可参考借鉴。
二手车源
二手知识









故障自查
维权信息
关注我们